Купить Электрический привод с усилием 2200Н
8 (02133) 67022 ОПИМ РБ
8 (02133) 34481 ОПИМ СНГ
Пн-Пт: 8:00 - 17:00

Электрический привод с усилием 2200Н

Электрический привод с усилием 2200Н

Гарантийный срок эксплуатации: 24 месяца
Описание
Тех. характеристики
Сертификат
Электропривод управляется контроллером, который формирует трехпозиционный управляющий сигнал и служит для управления регулирующими (запорно-регулирующими) клапанами, регулирующими гидроэлеваторами, струйными насосами гидравлическими. 

Электропривод универсальный, имеет несколько скоростей перемещения штока, которые могут перенастраиваться непосредственно на объекте, без демонтажа клапана.

Рабочий ход электропривода может так же меняться на объекте, что дает возможность менять пропускную способность клапана в определенном диапазоне без демонтажа самого клапана.

Конструктив электропривода основан на применении шагового электродвигателя, что позволяет при работе электропривода на упор обеспечить клапану номинальное усилие запирания и соответственно требуемую герметичную точку его остановки.

Электропривод является прямоходным механизмом с функцией ручного регулирования и позволяет визуально осуществлять индикацию положения.

Наименование параметра Значение параметра
 Механические: 
 Тип исполнительного механизма:  Прямоходный с постоянной скоростью
 Усилие перестановки, Н  22
 Рабочий ход механизма, мм  от 20 до 30 с непрерывной регулировкой
 Скорость перестановки, мм/мин  Переключаемая, 25; 15; 10; 7,5
 Климатическое исполнения  УЗ 
 Степень защиты  IP 54 
 Механическое присоединение  фланцевое 
 Масса не более, кг  4,6
 Электрические:        
 Номинальное напряжение питания, В  ~230
 Рабочий режим:  S1, Режим работы S4 повторно-кратковременный реверсивный с частыми пусками ПВ40 при максимальной нагрузке по ГОСТ 183. Частота включений не более 1200 в час
 Двигатель:  шаговый, импульсного напряжения питания, частотой до 1000 Гц, напряжением 15 В., током до 1,5 А
 Управление механизмом:  Трехпозиционное, сигналом ~230В
 Подключения механизма  Клеммные зажимы 1,5 мм2, кабельные вводы  для кабеля с диаметром от 4 до 10 мм

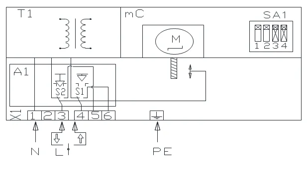
Схема подключения электропривода МЭП-2200.В

 
Перечень комплектации РО и клапанов механизмами, выпускаемыми ОАО "Завод Этон"
Марка механизма (сокращенно) Марка гидроэлеватора Клапаны смесительные трехходовые
РГ-00 РГ-01 РГ-02 РГ-03 РГ-04 РГ-05 РГ-06 КСТ-15 КСТ-20 КСТ-25 КСТ-32 КСТ-40 КСТ-50 КСТ-80
МЭП-1200.В + + + + + +


МЭП-2200.В + + + + + + + +
МЭП-3500.В

Марка механизма (сокращенно)

Клапаны КЗР (25ч945п) неразгруженные   

Клапаны КЗР (25ч945п) разгруженные
КЗР-15 КЗР-20 КЗР-25 КЗР-32 КЗРр-40 КЗРр-50 КЗРр-65 КЗРр-80 КЗРр-100 КЗРр-125 КЗРр-150
МЭП-1200.В + + +


МЭП-2200.В + + + + +
МЭП-3500.В + + +


Марка механизма (сокращенно) Клапаны КЗР (25ч945нж) разгруженные
КЗР-15/17 КЗР-20/20 КЗР-25/24,5 КЗР-32/31,5 КЗР-40/40 КЗР-50/49,5 КЗР-65/64,5 КЗР-80/76
МЭП-1200.В



МЭП-2200.В + + + + +

МЭП-3500.В + + +