Назначение
Регулятор предназначен для автоматического, программируемого регулирования расхода тепловой энергии в системах отопления, приточной вентиляции, горячего водоснабжения посредством регулирующих органов. Наличие релейных выходов даёт возможность управлять пускозащитной аппаратурой (ПЗА) электродвигателей насосов, вентиляторов и др. В регуляторе установлен интерфейс RS-485 (RS232), организованный по стандартному протоколу Wake, имеется функция архивирования данных.
Устройство и принцип работы регуляторов температуры РТ-2012
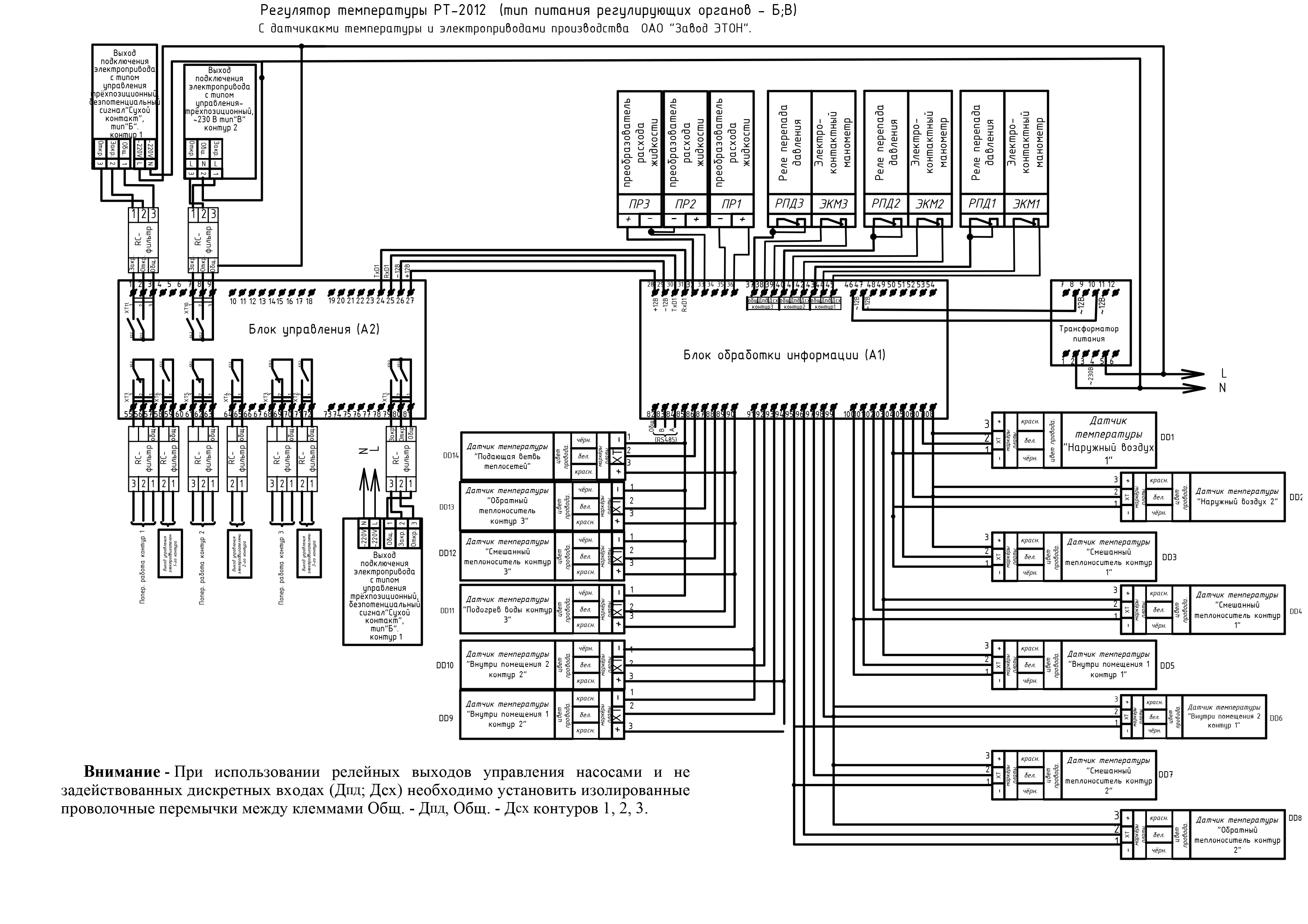
В состав регулятора температуры РТ-2012 входит контроллер и комплект датчиков температуры в зависимости от исполнения.
Контроллер имеет три независимых контура регулирования. Контуры (1 и 2) могут независимо настраиваться на работу в системе отопления или приточной вентиляции, контур 3 – ГВС.
В контроллерах производится архивирование контролируемых температур и установлен порт RS485 или RS232 (по дополнительному заказу) для скачивания архивных данных. Также предоставлена возможность потребителю включать контроллер в существующую систему диспетчеризации процесса регулирования посредством протокола Wake.
Предприятие ОАО «Завод Этон» предлагает программное обеспечение (ПО) «ControlRT2012». Программа предназначена для работы с параметрами конфигурации устройства (контроллера РТ-2012), а так же для обеспечения интерфейса между программой и устройством.
ПО ControlRT2012 позволяет:
- осуществлять контроль технологических процессов с индикацией текущих значений измеренных величин;
- считывать архивные данные с РТ;
- конфигурировать параметры РТ.
Основные исполнения регулятора температуры РТ-2012
Обозначение
регулятора
|
Кол-во
контуров
|
Назначение
контуров
|
Назначение и количество датчиков температуры
|
наружного
воздуха
|
Смешанного
теплоносителя
|
подогретой
воды
|
теплоносителя
воздуха
|
обратного
теплоносителя
|
воздуха
в помещении
|
теплоносителя
из подающей
ветви
теплоносителей
(Т1)
|
|
|
|
№1
|
№2
|
ОТП
|
ГВС
|
ГВС
|
ПВ
|
ОТП
|
ПВ
|
ГВС
|
ОТП
|
ПВ
|
|
|
РТ-2012-00
|
1
|
ОТП
|
1
|
-
|
1
|
-
|
-
|
-
|
1
|
-
|
-
|
2*
|
-
|
1*
|
|
РТ-2012-01
|
1
|
ПВ1
|
1
|
-
|
-
|
-
|
-
|
1
|
-
|
1
|
-
|
-
|
2*
|
1*
|
|
РТ-2012-02
|
1
|
ГВС
|
-
|
1*
|
-
|
1*
|
1
|
-
|
-
|
-
|
1*
|
-
|
-
|
1*
|
|
РТ-2012-03
|
2
|
ОТП+ОТП
|
1
|
1*
|
2
|
-
|
-
|
-
|
2
|
-
|
-
|
4*
|
-
|
1*
|
|
РТ-2012-04
|
2
|
ПВ+ПВ
|
1
|
1*
|
-
|
-
|
-
|
2
|
-
|
2
|
-
|
-
|
4*
|
1*
|
|
РТ-2012-05
|
2
|
ОТП+ПВ
|
1
|
1*
|
1
|
-
|
-
|
1
|
1
|
1
|
-
|
2*
|
2*
|
1*
|
|
РТ-2012-06
|
2
|
ОТП+ГВС
|
1
|
1*
|
1
|
1*
|
1
|
-
|
1
|
-
|
1*
|
2*
|
-
|
1*
|
|
РТ-2012-07
|
2
|
ПВ+ГВС
|
1
|
1*
|
-
|
1*
|
1
|
1
|
-
|
1
|
1*
|
-
|
2*
|
1*
|
|
РТ-2012-08
|
3
|
ОТП+ПВ+ГВС
|
1
|
1*
|
1
|
1*
|
1
|
1
|
1
|
1
|
1*
|
2*
|
2*
|
1*
|
|
РТ-2012-09
|
3
|
ОТП+ОТП+ГВС
|
1
|
1*
|
2
|
1*
|
1
|
-
|
2
|
-
|
1*
|
4*
|
-
|
1*
|
|
РТ-2012-10
|
3
|
ПВ+ПВ+ГВС
|
1
|
1*
|
-
|
1*
|
1
|
2
|
-
|
2
|
1*
|
-
|
4*
|
1*
|
Примечания: * – датчики поставляются по дополнительному заказу
ОТП – контур, настроенный на регулирование температуры в системе отопления. На режим ОТП могут быть настроены контур 1 и контур 2 с коррекцией или без коррекции по температуре воздуха внутри помещения. По умолчанию контура настраиваются на регулирование температуры в системе отопления без коррекции по температуре воздуха внутри помещения (датчики температуры воздуха в поме- щении в комплекте не поставляются).
ПВ – контур, настроенный на регулирование температуры воздуха в системе приточной вентиляции с водяным калорифером. На режим ПВ могут быть настроены контур 1 и контур 2 с коррекцией или без коррекции по температуре воздуха внутри помещения. По умолчанию контура настраиваются на регулирование температуры воздуха в системе приточной вентиляции без коррекции по температуре воздуха внутри помещения (датчики температуры воздуха в помещении в комплекте не поставляются).
ГВС – контур, настроенный на регулирование температуры в системе горячего водоснабжения. На режим ГВС настраивается контур 3.
Основные характеристики РТ-2012
|
Наименование параметра
|
Значение
|
|
Количество контуров регулировки
|
2
|
|
Количество выходов управления
|
Тип питания Б:
- 6 релейных выхода для управления основным и резервными насосами;
- 6 релейных выхода для трехпозиционного управления электропиводами двух регулирующих клапанов.
Тип питания В:
- 6 релейных выхода для управления основным и резервными насосами;
- 6 семисторных выхода для трехпозиционного управления электропиводами двух регулирующих клапанов
|
|
Типы законов регулирования
|
трехпозиционный, ПИД
|
|
Вид расписания
|
Недельный график + годовое расписание праздничных дат
|
|
Количество температурных уставок
|
6 шт
|
|
Тип датчиков температуры
|
цифровой на базе мискросхемы DS18, S20
|
|
Наличие интерфейса
|
RS485 по умолчанию, RS232 по заказу
|
Тип управления электроприводами клапанов,
регулирующих гидроэлеваторов
|
трехпозиционный безпотенциальный сигнал (сухой контакт)
|
|
Функции управления двумя насосами
|
защита от сухого хода;
автоматический ввод резервного насоса;
попеременная работа насосов;
управление включения насоса по датчику температуры;
отключение насоса при обрыве крыльчатки
|
Тип выходов управления электроприводами,
пускателями насосов
|
релейный
|
Время хранения программы пользователя
при отсутствии сетевого электричества
|
до 3-х лет
|
|
Электропитание
|
230В, 50Гц
|
|
Степень защиты
|
IP20
|
|
Масса не более
|
не более 1,4 кг
|
При монтаже регулятора руководствоваться "Межотраслевыми правилами по охране труда при работе в электроустановках". Все работы связанные с техническим обслуживанием регулятора производить при отключенном контроллере от питающей сети.
Режим контура и выполняемые функции регулятором РТ-2012
|
Режим контура
|
Функциональное назначение
|
|
ГВС
|
Регулирование температуры ГВС без контроля температуры обратной воды.
В этом случае в процессе регулирования контроллером используется только датчик температуры ГВС, а сам процесс регулирования заключается в поддержании температуры ГВС согласно заданным температурным уставкам недельного графика.
|
|
ГВС по гр.
|
Регулирование температуры ГВС с ограничением температуры обратной воды по графику обратной воды (ГО).
В этом варианте в процессе регулирования используются дополнительно датчики температуры наружного воздуха и температуры обратного теплоносителя.
Внимание! Если температура обратной воды не превышает текущее заданное предельное значение в ГО, осуществляется регулирование температуры ГВС ТГВС. В случае невыполнения данного условия регулятор переходит к регулированию по температуре обратной воды, предварительно произведя сброс ПИД-закона регулирования.
|
|
ГВС по зн.
|
Регулирование температуры ГВС с ограничением температуры обратной воды по одному значению (по точке).
В данном варианте регулирования используются только датчики температуры ГВС и обратного теплоносителя. Процесс регулирования аналогичен режиму «ГВС по гр.» с тем отличием, что вместо ГО ограничением служит одно значение температуры обратного теплоносителя, которое задается пользователем в контроллере в меню настроек “Дополнительные параметры”.
|
|
ОТП
|
Регулирование температуры смешанного теплоносителя без ограничения температуры обратной воды.
В этом варианте регулирования контроллером используются датчики температуры смешанного теплоносителя и температуры наружного воздуха.
|
|
ОТП по гр.
|
Регулирование температуры смешанной воды с ограничением температуры обратной воды по графику обратной воды.
В данном варианте в процессе регулирования используются дополнительно датчики температуры обратного теплоносителя.
Внимание!!! Если температура обратной воды не превышает текущее заданное предельное значение в графике температуры обратной воды, осуществляется регулирование смешанной воды Tсм.. Если температура обратной воды превысит текущее заданное предельное значение в графике обратной воды (ГО), регулятор перейдет к регулированию по температуре обратной воды по выбранному закону регулирования.
|
|
ОТП по ГО
|
Регулирование температуры обратной воды по графику обратной воды.
В этом варианте регулирования используются только датчики температуры наружного воздуха и обратного теплоносителя.
Процесс регулирования заключается в поддержании только температуры обратной воды по значениям заданным в ГО.
|
|
ПВ по гр.
|
Регулирование температуры приточного воздуха с ограничением температуры обратной воды по графику обратной воды.
В данном варианте в процессе регулирования используются дополнительно датчики температуры обратного теплоносителя.
Внимание!!! Если температура обратной воды не превышает текущее заданное предельное значение в графике температуры обратной воды, осуществляется регулирование температуры приточного воздуха. Если температура обратной воды превысит текущее заданное предельное значение в графике обратной воды (ГО), регулятор перейдет к регулированию по температуре обратной воды по выбранному закону регулирования.
|
Алгоритм работы регулятора температуры РТ-2012
Каждый из контуров (1, 2) регулятора РТ-2012 может быть независимо настроен на выполнение одной из следующих функций регулирования:
- регулирование температуры теплоносителя в системе отопления с коррекцией или без коррекции по температуре воздуха внутри помещения;
- регулирование температуры теплоносителя воздуха в системе приточной вентиляции с коррекцией или без коррекции по температуре воздуха внутри помещения.
Контур 3 - регулирование температуры горячей воды в системе ГВС.
Для использования дополнительных релейных выходов управления насосами при настройке регуляторов РТ-2010 выбирается одно из следующих условий работы реле:
- «Выкл.» – реле в данном контуре всё время выключено (не используется).
- «По недельному графику» – управление дополнительным реле производится по времени, параллельно действию определённых уставок в недельном графике.
- «Тнаружн.» – выбирается пороговая температура наружного воздуха, при превышении которой происходит включение реле в данном контуре. (Режим обычно используется для включения корректирующего насоса в системе отопления).
- «Тобратн.» – выбирается значение температуры обратного теплоносителя, при превышении которой происходит включение реле.
- «ΔТобр.» – задается значение рассогласования между программируемым значением в графике обратной воды (ГО) максимально-допустимой температуры теплоносителя в обратном трубопроводе и её фактическим значением. При превышении этого значения происходит включение реле насоса.
- «Вкл.» – реле в данном контуре всё время включено.
