Назначение
Регулятор предназначен для автоматического, программируемого регулирования расхода тепловой энергии в системах отопления, горячего водоснабжения посредством регулирующих органов. Наличие релейных выходов даёт возможность управлять пускозащитной аппаратурой (ПЗА) электродвигателей насосов, вентиляторов и др.
Устройство и принцип работы регуляторов температуры РТ-210
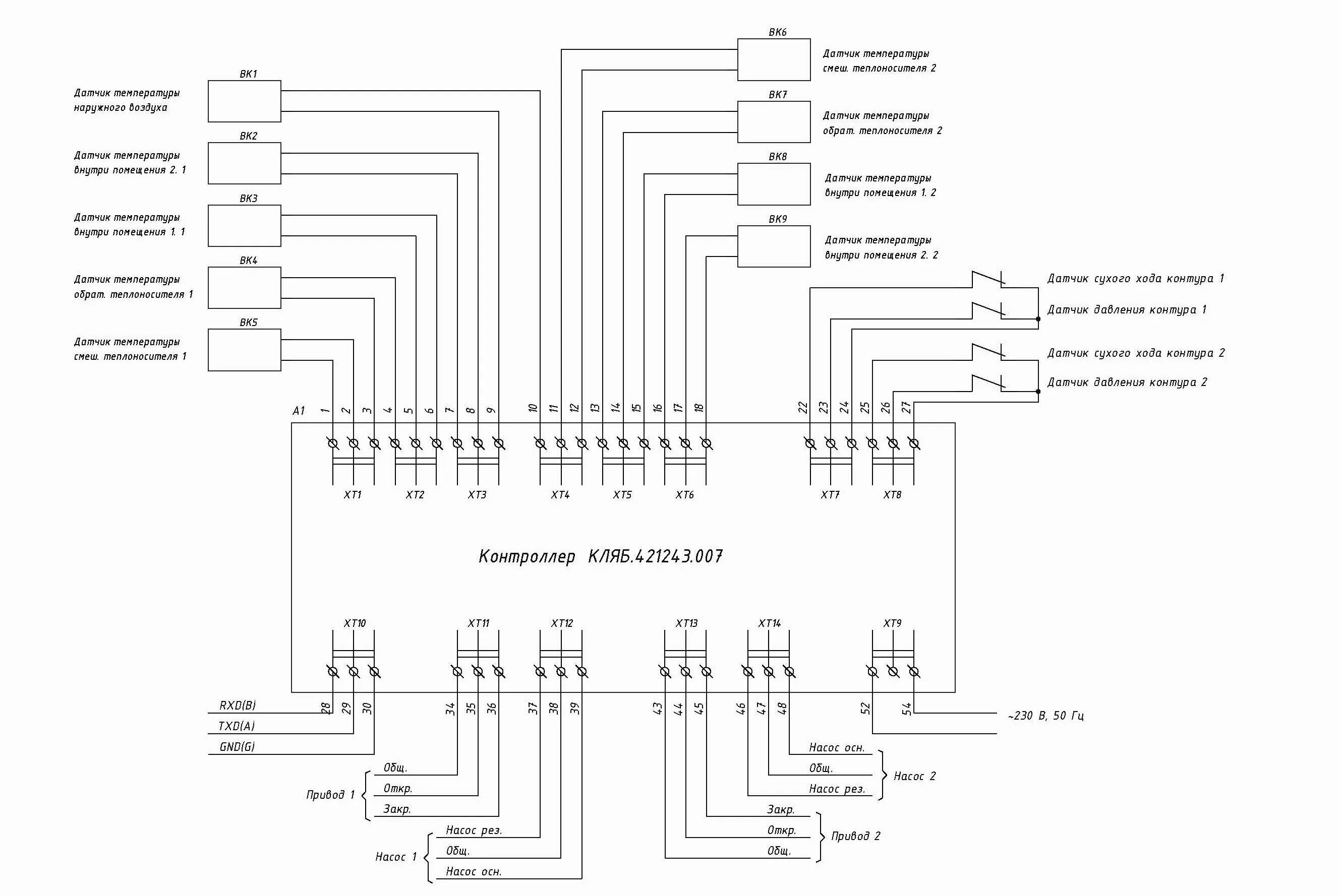
В состав регулятора температуры РТ-210 входит контроллер и комплект датчиков температуры в зависимости от исполнения.
Контроллер имеет два независимых, универсальных контура регулирования. В зависимости от исполнения каждый контур настраивается на соответствующий режим работы.
В контроллерах производится архивирование контролируемых температур и установлен порт RS-485 (RS-232 по заказу) для скачивания архивных данных. Также предоставлена возможность потребителю включать контроллер в существующую систему диспетчеризации процесса регулирования посредством протокола Wake.
Основные исполнения регулятора температуры РТ-210
|
Наименование
|
Кол-во
контуров
|
Назначение
контуров
|
Количество датчиков температуры
|
|
Наружного
воздуха
|
Смешанного
|
Обратного
|
Воздуха в
помещении5
|
|
РТ-210-00
|
2
|
ОТП1+ОТП
|
1
|
2
|
2
|
4
|
|
РТ-210-01
|
1
|
ОТП
|
1
|
1
|
1
|
2
|
|
РТ-210-02
|
2
|
ГВС2+ГВС
|
14
|
2
|
(1 или 2)3
|
-
|
|
РТ-210-03
|
1
|
ГВС
|
14
|
1
|
13
|
-
|
|
РТ-210-04
|
2
|
ОТП+ГВС
|
1
|
2
|
1
|
2
|
Примечание:
|
1. отопление
2. горячее водоснабжение
3. по дополнительному заказу при использовании режима регулирования с контролем обратного теплоносителя (количество в зависимости от применяемости в том или ином контуре)
4. по дополнительному заказу при использовании режима регулирования с контролем обратного теплоносителя по графику обратной воды (ГО)
5. по дополнительному заказу при использовании коррекции по температуре внутри помещения
При необходимости в дополнительных датчиках, сведения необходимо указывать в заказе отдельной строкой
|
Основные характеристики РТ-210
|
Наименование параметра
|
Значение
|
|
Количество контуров регулировки
|
2 независимых, универсальных
|
|
Количество выходов управления
|
- 4 релейных выхода для управления основным и резервным насосами;
- 4 семисторных выхода для трехпозиционного управления электроприводами двух регулирующих клапанов
|
|
Количество подключаемых термодатчиков
|
9*
|
|
Типы законов регулирования
|
трехпозиционный, ПИД
|
|
Вид расписания
|
Недельный график + годовое расписание праздничных дат
|
|
Количество температурных уставок
|
6 шт
|
|
Тип датчиков температуры
|
аналоговый (термопреобразователь сопротивления PTS1206M)
|
|
Наличие интерфейса и протокол обмена
|
RS485 по умолчанию, RS232 по заказу (протокол Wake)
|
|
Тип управления электроприводами клапанов
|
"В" - трехпозиционный 230В
|
|
Функции управления насосом
|
- защита от сухого хода;
- автоматический ввод резервного насоса;
- попеременная работа насосов;
- управление включения насоса по датчику температуры;
- отключение насоса при обрыве крыльчатки
|
Время хранения программы пользователя
при отсутствии сетевого электричества
|
до 3-х лет
|
|
Электропитание
|
230В, 50Гц
|
|
Степень защиты
|
IP20
|
|
Масса не более
|
не более 3,0 кг
|
** - Тип и количество термодатчиков зависит от объекта и согласовывается при оформлении заказа.
Режим контура и выполняемые функции регулятором РТ-210
|
Режим контура
|
Функциональное назначение
|
|
ГВС
|
Регулирование температуры ГВС без контроля температуры обратной воды.
В этом случае в процессе регулирования контроллером используется только датчик температуры ГВС, а сам процесс регулирования заключается в поддержании температуры ГВС согласно заданным температурным уставкам недельного графика
|
|
ГВС по гр.
|
Регулирование температуры ГВС с ограничением температуры обратной воды по графику обратной воды (ГО).
В этом варианте в процессе регулирования используются дополнительно датчики температуры наружного воздуха и температуры обратного теплоносителя.
Внимание! Если температура обратной воды не превышает текущее заданное предельное значение в ГО, осуществляется регулирование температуры ГВС ТГВС. В случае невыполнения данного условия регулятор переходит к регулированию по температуре обратной воды, предварительно произведя сброс ПИД-закона регулирования
|
|
ГВС по зн.
|
Регулирование температуры ГВС с ограничением температуры обратной воды по одному значению (по точке).
В данном варианте регулирования используются только датчики температуры ГВС и обратного теплоносителя. Процесс регулирования аналогичен режиму «ГВС по гр.» с тем отличием, что вместо ГО ограничением служит одно значение температуры обратного теплоносителя, которое задается пользователем в контроллере в меню настроек “Дополнительные параметры”.
|
|
ОТП
|
Регулирование температуры смешанного теплоносителя без ограничения температуры обратной воды.
В этом варианте регулирования контроллером используются датчики температуры смешанного теплоносителя и температуры наружного воздуха.
|
|
ОТП по гр.
|
Регулирование температуры смешанной воды с ограничением температуры обратной воды по графику обратной воды.
В данном варианте в процессе регулирования используются дополнительно датчики температуры обратного теплоносителя.
Внимание!!! Если температура обратной воды не превышает текущее заданное предельное значение в графике температуры обратной воды, осуществляется регулирование смешанной воды Tсм.. Если температура обратной воды превысит текущее заданное предельное значение в графике обратной воды (ГО), регулятор перейдет к регулированию по температуре обратной воды по выбранному закону регулирования
|
|
ОТП по ГО
|
Регулирование температуры обратной воды по графику обратной воды.
В этом варианте регулирования используются только датчики температуры наружного воздуха и обратного теплоносителя.
Процесс регулирования заключается в поддержании только температуры обратной воды по значениям заданным в ГО
|
Функциональная схема и подключение внешних соединений
